首页 空气能 地暖 暖气片 混合采暖 中央空调 地源热泵 新风 水处理 中央热水 清洗维护    
当前位置: 首页 > 博馨课堂
博馨课堂
博馨动态
工程案例
博馨资质
售后维保
 
 
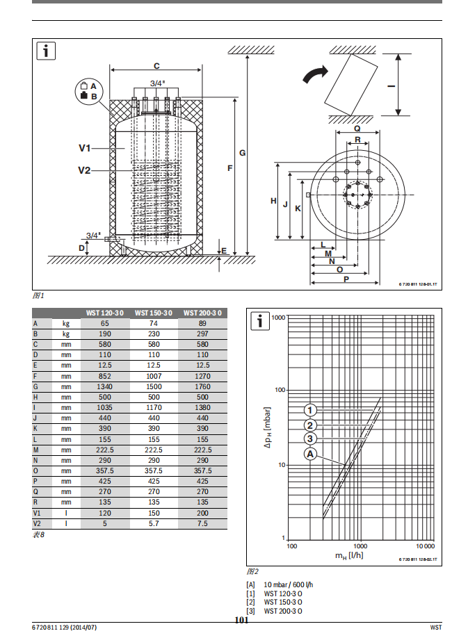
博馨施工工艺指南之丹佛斯混水中心安装说明书
发布时间:2018-10-26 访问次数:3887
                 
 
下一条:博馨施工工艺指南之申居客温控器安装说明书

上一条:博馨施工项目安装确认表之水地暖施工安装指导确认表

 
◎ 2025 上海博馨实业有限公司 版权所有 电话:021-52683219 地址:上海市嘉定区金园五路366号1幢A406室 传真:021-52683209   沪ICP备11000048号-1